
RPX40 40mm Brushless DC Motor
RapidPower™ Xtreme Series
Product Details
Overview & Features
High torque density. Excellent torque per frame size performance.
New from ElectroCraft, the RPX40 is a highly dynamic and controllable very small frame metric motor. With an advanced 14-pole encapsulated core, this compact DC motor offers high torque density at a very affordable price. The RPX40 is available in 12V, 24V and 48V versions and like all ElectroCraft motors is fully customizable. This versatile motor is highly energy efficient and ideal for embedded applications.
All versions of the RPX40 include hall sensor feedback and can be configured with an optional encoder (differential, optical encoder with up to 2048 lines).

| RPX40 | Stack Size and Winding Models | ||||||||
|---|---|---|---|---|---|---|---|---|---|
| Specifications | RPX40-125V12 | RPX40-125V24 | RPX40-125V48 | RPX40-250V12 | RPX40-250V24 | RPX40-250V48 | RPX40-325V12 | RPX40-325V24 | RPX40-325V48 |
| Design Voltage (VDC) | 12 | 24 | 48 | 12 | 24 | 48 | 12 | 24 | 48 |
| No load speed (RPM) | 6,000 | 5,000 | 3,600 | ||||||
| Peak Torque (oz-in) | 56.4 | 108.1 | 140.0 | ||||||
| Peak Torque (mNm) | 398.0 | 763.0 | 991.0 | ||||||
| Peak Current (Amps) | 19.7 | 9.8 | 4.9 | 33.3 | 16.7 | 8.3 | 31.0 | 15.5 | 7.7 |
| Continuous Stall Torque* (oz-in) | 17.7 | 35.4 | 46.0 | ||||||
| Continuous Stall Torque* (mNm) | 125.0 | 250.0 | 325.0 | ||||||
| Continuous Stall Current (Amps) | 6.6 | 3.3 | 1.6 | 10.9 | 5.5 | 2.7 | 10.2 | 5.1 | 2.6 |
| Continuous Rated Torque* (oz-in) | 15.3 | 22.0 | 38.2 | ||||||
| Continuous Rated Torque* (mNm) | 108.0 | 155.0 | 270.0 | ||||||
| Continuous Rated Current (Amps) | 5.7 | 2.8 | 1.4 | 6.8 | 3.4 | 1.7 | 8.5 | 4.2 | 2.1 |
| Continuous Rated Speed (RPM) | 4,775 | 4,075 | 2,950 | ||||||
| Voltage Constant (V / kRPM) | 2.0 | 4.0 | 8.0 | 2.4 | 4.8 | 9.6 | 3.3 | 6.7 | 13.3 |
| Torque Constant (oz-in / Amp) | 2.7 | 5.4 | 10.8 | 3.2 | 6.5 | 13.0 | 4.5 | 9.0 | 18.0 |
| Torque Constant (mNm / Amp) | 19.1 | 38.1 | 76.3 | 22.9 | 45.8 | 91.5 | 31.8 | 63.6 | 127.1 |
| Resistance (Ohms) | 0.31 | 1.04 | 3.91 | 0.25 | 0.74 | 2.20 | 0.22 | 0.59 | 2.09 |
| Inductance (mH) | 0.109 | 0.435 | 1.740 | 0.071 | 0.320 | 1.280 | 0.075 | 0.300 | 1.200 |
| Motor Constant (oz-in / √ Watt) | 4.5 | 7.7 | 9.8 | ||||||
| Motor Constant (mNm / √ Watt) | 31.6 | 54.2 | 69.2 | ||||||
| Electrical Constant (msec) | 0.33 | 0.40 | 0.45 | ||||||
| Mechanical Constant (msec) | 1.11 | 0.51 | 0.19 | ||||||
| Thermal Time Constant (sec) | 430.0 | 455.0 | 480.0 | ||||||
| Rotor inertia (oz-in²) | 0.0383 | 0.0820 | 0.1640 | ||||||
| Rotor inertia (g-cm²) | 7.0 | 15.0 | 30.0 | ||||||
| Thermal Resistance (C / Watt) | 4.77 | 4.02 | 3.69 | ||||||
| Axial Load (N) 5mm from face | 7.0 | 7.0 | 7.0 | ||||||
| Radial Load (N) 5mm from face | 30.0 | 30.0 | 30.0 | ||||||
| Weight (oz) | 5.6 | 8.5 | 13.1 | ||||||
| Weight (g) | 160.00 | 240.00 | 370.00 | ||||||
| Length (inch) | 1.2 | 1.6 | 2.4 | ||||||
| Length (mm) | 30.0 | 40.0 | 60.0 | ||||||
| Number of Poles | 14.0 | 14.0 | 14.0 | ||||||
| Notes: | *Continuous rating based on a 25°C ambient temperature, winding temperature rise of 125°C. Mounted on a 150 X 150 X 6 mm aluminum heat sink. | ||||||||
Performance Curves
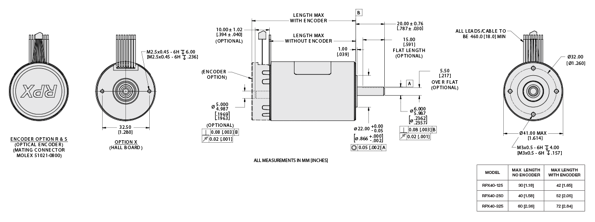
Dimensional Drawing

Drive Compatibility
Please contact ElectroCraft if the drive you are searching for is not included in the charts below.
| Motor P/N | Cont Stall Current (ARMS) |
Peak Current (ARMS) |
Voltage | Drive Model | ||||
|---|---|---|---|---|---|---|---|---|
| Imperial | Metric | PRO (-CAN) | PRO (-CAT) | CPP-Universal | CPP-EZ | |||
| RPX40-125V12 | 6.6 | 19.7 | 12 | PRO-A20V80A | PRO-A20V80A | CPP-A12V80A | CPP-A12V48A | |
| RPX40-125V24 | 3.3 | 9.8 | 24 | PRO-A08V48B | PRO-A08V48B | CPP-A06V48A | CPP-A06V48A | |
| RPX40-125V48 | 1.6 | 4.9 | 48 | PRO-A08V48B | PRO-A08V48B | CPP-A06V48A | CPP-A06V48A | |
| RPX40-250V12 | 10.9 | 33.3 | 12 | PRO-A20V80A | PRO-A20V80A | CPP-A24V80A | CPP-A24V48A | |
| RPX40-250V24 | 5.5 | 16.7 | 24 | PRO-A20V80A | PRO-A20V80A | CPP-A12V80A | CPP-A12V48A | |
| RPX40-250V48 | 2.7 | 8.3 | 48 | PRO-A08V48B | PRO-A08V48B | CPP-A06V48A | CPP-A06V48A | |
| RPX40-325V12 | 10.2 | 31.0 | 12 | PRO-A20V80A | PRO-A20V80A | CPP-A24V80A | CPP-A24V48A | |
| RPX40-325V24 | 5.1 | 15.5 | 24 | PRO-A20V80A | PRO-A20V80A | CPP-A12V80A | CPP-A12V48A | |
| RPX40-325V48 | 2.6 | 7.7 | 48 | PRO-A08V48B | PRO-A08V48B | CPP-A06V48A | CPP-A06V48A | |
Connector Pinouts
Documents & Downloads
| Download | Description |
|---|---|
| RPX40 Data Sheet (US) | Download Data Sheet (PDF) |
ElectroCraft Rapid Delivery Program
Some versions of this product are available via ElectroCraft's Rapid Delivery Program. Lead times for these products are given in working days and stated below. Please note, these lead times may be exceeded during holiday periods or due to unforeseen circumstances. Always contact your local ElectroCraft representative for confirmation of availability.
Rapid delivery products are stocked in locations all over the World. If the product you require is not stocked in your region, you may request accelerated delivery from other areas. Please consult your local representative for more information.
Customers are responsible for all freight charges.
Rapid Delivery to:
The Americas - View Cart
| Part Number | Description | Add to Cart |
|---|---|---|
| RPX40-125V24-100-S | 40mm Brushless DC Motor, 24VDC, 6000RPM no-load speed, 398 mNm peak torque, 108 mNm continuous at 4775RPM, hall sensors + 2048 line differential encoder | Buy Now |
| RPX40-250V24-100-S | 40mm Brushless DC Motor, 24VDC, 5000RPM no-load speed, 763 mNm peak torque, 155 mNm continuous at 4075RPM, hall sensors + 2048 line differential encoder | Contact Sales |
| RPX40-325V24-100-S | 40mm Brushless DC Motor, 24VDC, 3600RPM no-load speed, 991 mNm peak torque, 270 mNm continuous at 2950RPM, hall sensors + 2048 line differential encoder | Buy Now |