
TP34 NEMA 34 Stepper Motor
TorquePower™ Series
Series
TP34
Size
NEMA 34, 1.8°
Holding Torque
up to 620 oz-in or 438 Ncm
Speed
up to 34 RPS
Product Details
Overview & Features
Forceful. Extra-sturdy.
This 1.8° size 34 hybrid DC stepping motor is built
with an extra-sturdy casing for when you need medium-sized,
powerful torque with a little more durability. The motor
is totally enclosed with permanently lubricated ball bearings.
The bi-directional size 34 has a step angle accuracy of
±3%.

Mechanical / Winding Data
| TP34 Bi-Polar Stack Size | |||
|---|---|---|---|
| Imperial Models | TP34-235 | TP34-420 | TP34-620 |
| Holding Torque Bi-Polar (oz-in) | 235.0 | 420.0 | 620.0 |
| Holding Torque Bi-Polar (Ncm) | 166 | 297 | 438 |
| Length (inches) | 2.45 | 3.70 | 5.08 |
| Length (cm) | 6.2 | 9.4 | 12.9 |
| Width (inches) | 3.3 | 3.3 | 3.3 |
| Width (cm) | 8.4 | 8.4 | 8.4 |
| Weight (oz) | 48.0 | 80.0 | 121.0 |
| Weight (Kg) | 1.4 | 2.3 | 3.4 |
| Step Angle (°/step) | 1.8 | 1.8 | 1.8 |
| Number Leads | 4 | 4 | 4 |
| TP34 Uni-Polar Stack Size | |||
|---|---|---|---|
| Imperial Models | TP34-188 | TP34-336 | TP34-496 |
| Holding Torque Uni-Polar (oz-in) | 188.0 | 336.0 | 496.0 |
| Holding Torque Uni-Polar (Ncm) | 133 | 237 | 350 |
| Length (inches) | 2.45 | 3.70 | 5.08 |
| Length (cm) | 6.2 | 9.4 | 12.9 |
| Width (inches) | 3.3 | 3.3 | 3.3 |
| Width (cm) | 8.4 | 8.4 | 8.4 |
| Weight (oz) | 48.0 | 80.0 | 121.0 |
| Weight (Kg) | 1.4 | 2.3 | 3.4 |
| Step Angle (°/step) | 1.8 | 1.8 | 1.8 |
| Number Leads | 6 | 6 | 6 |
| TP34 Bi-Polar Windings | ||||||||||||
|---|---|---|---|---|---|---|---|---|---|---|---|---|
| Imperial Models | 235A20 | 235A30 | 235A40 | 235A60 | 420A20 | 420A30 | 420A40 | 420A60 | 620A20 | 620A30 | 620A40 | 620A60 |
| Current (A/Phase) | 2.0 | 3.0 | 4.0 | 6.0 | 2.0 | 3.0 | 4.0 | 6.0 | 2.0 | 3.0 | 4.0 | 6.0 |
| Voltage (V/Phase) | 4.4 | 2.9 | 2.2 | 1.5 | 6.0 | 4.0 | 3.0 | 2.0 | 7.7 | 5.1 | 3.8 | 2.6 |
| Resistance (R/Phase) | 2.2 | 1.0 | 0.6 | 0.2 | 3.0 | 1.3 | 0.8 | 0.8 | 3.8 | 1.7 | 1.0 | 0.4 |
| Inductance (mH) | 20.4 | 9.1 | 5.1 | 2.3 | 33.2 | 14.8 | 8.3 | 8.3 | 54.5 | 24.2 | 13.6 | 6.1 |
| TP34 Uni-Polar Windings | |||||||||||||
|---|---|---|---|---|---|---|---|---|---|---|---|---|---|
| Imperial Models | 188V26 | 188V53 | 188V120 | 188V240 | 336V25 | 336V30 | 336V60 | 336V120 | 336V240 | 496V22 | 496V43 | 496V120 | 496V240 |
| Current Uni-Polar (A/Phase) | 3.1 | 1.6 | 0.7 | 0.3 | 4.5 | 4.0 | 2.0 | 1.0 | 0.6 | 7.1 | 3.6 | 1.2 | 0.6 |
| Voltage Uni-Polar (V/Phase) | 2.6 | 5.3 | 12.0 | 24.0 | 2.5 | 3.0 | 6.0 | 12.0 | 24.0 | 2.2 | 4.3 | 12.0 | 24.0 |
| Resistance Uni-Polar (R/Phase) | 0.9 | 3.3 | 18.0 | 72.0 | 0.6 | 0.8 | 3.0 | 11.5 | 44.0 | 0.3 | 1.2 | 10.3 | 41.0 |
| Inductance Uni-Polar (mH) | 4.2 | 17.5 | 80.0 | 315.0 | 2.8 | 3.6 | 16.5 | 64.2 | 237.0 | 1.8 | 7.7 | 60.0 | 249.0 |
| Current Bi-Polar (A/Phase) | 2.2 | 1.1 | 0.5 | 0.2 | 3.2 | 2.8 | 1.4 | 0.7 | 0.4 | 5.0 | 2.5 | 0.8 | 0.4 |
| Voltage Bi-Polar (V/Phase) | 3.7 | 7.5 | 17.0 | 34.0 | 3.5 | 4.2 | 8.5 | 17.0 | 34.0 | 3.1 | 6.1 | 17.0 | 34.0 |
| Resistance Bi-Polar (R/Phase) | 1.7 | 6.6 | 36.0 | 144.0 | 1.1 | 1.5 | 6.0 | 23.0 | 88.0 | 0.6 | 2.4 | 20.6 | 82.0 |
| Inductance Bi-Polar (mH) | 16.6 | 70.0 | 320.0 | 1260.0 | 11.0 | 14.4 | 65.8 | 256.8 | 948.0 | 7.2 | 30.6 | 240.0 | 996.0 |
Speed / Torque Curves
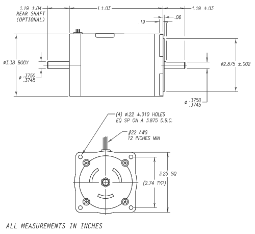
Dimensional Drawing
| MOTOR TYPE | LENGTH (INCHES) |
|
|---|---|---|
| BIPOLAR | UNIPOLAR | |
| TP34-235 | TP34-188 | 2.45 ±.03 |
| TP34-420 | TP34-336 | 3.70 ±.03 |
| TP34-620 | TP34-496 | 5.08 ±.03 |

Drive Compatibility
Please contact ElectroCraft if the drive you are searching for is not included in the charts below.
| Motor P/N | Cont Stall Current (ARMS) |
Peak Current (ARMS) |
Voltage | Drive Model | ||||
|---|---|---|---|---|---|---|---|---|
| Imperial | Metric | PRO (-CAN) | PRO (-CAT) | CPP-Universal | CPP-EZ | |||
| TP34-235A20 | 0 | PRO-A08V48B | PRO-A08V48B | CPP-B06V48A | ||||
| TP34-235A30 | 0 | PRO-A08V48B | PRO-A08V48B | CPP-B06V48A | ||||
| TP34-235A40 | 0 | PRO-A08V48B | PRO-A08V48B | CPP-B06V48A | ||||
| TP34-235A60 | 0 | PRO-A10V80A | PRO-A10V80A | CPP-A12V80A | ||||
| TP34-420A20 | 0 | PRO-A08V48B | PRO-A08V48B | CPP-B06V48A | ||||
| TP34-420A30 | 0 | PRO-A08V48B | PRO-A08V48B | CPP-B06V48A | ||||
| TP34-420A40 | 0 | PRO-A08V48B | PRO-A08V48B | CPP-B06V48A | ||||
| TP34-420A60 | 0 | PRO-A10V80A | PRO-A10V80A | CPP-A12V80A | ||||
| TP34-620A20 | 0 | PRO-A08V48B | PRO-A08V48B | CPP-B06V48A | ||||
| TP34-620A30 | 0 | PRO-A08V48B | PRO-A08V48B | CPP-B06V48A | ||||
| TP34-620A40 | 0 | PRO-A08V48B | PRO-A08V48B | CPP-B06V48A | ||||
| TP34-620A60 | 0 | PRO-A10V80A | PRO-A10V80A | CPP-A12V80A | ||||
Documents & Downloads
| Download | Description |
|---|---|
| TP34 Data Sheet (US) | Download Data Sheet (PDF) |