
TP23 NEMA 23 Stepper Motor
TorquePower™ Series
Series
TP23
Size
NEMA 23, 1.8°
Holding Torque
up to 210 oz-in or 148 Ncm
Speed
up to 85 RPS
Product Details
Overview & Features
Forceful. Extra-sturdy.
This size 23 hybrid DC stepping motor is built with an extra-sturdy
housing. The motor is totally enclosed with permanently lubricated
ball bearings. This bi-directional size 23 has a step angle accuracy
of ±3%.

Mechanical / Winding Data
| TP23 Bi-Polar Stack Size | ||||
|---|---|---|---|---|
| Imperial Models | TP23-48 | TP23-72 | TP23-150 | TP23-210 |
| Holding Torque Bi-Polar (oz-in) | 48.0 | 72.0 | 150.0 | 210.0 |
| Holding Torque Bi-Polar (Ncm) | 34 | 51 | 106 | 148 |
| Length (inches) | 1.60 | 2.00 | 3.00 | 4.00 |
| Length (cm) | 4.1 | 5.1 | 7.6 | 10.2 |
| Width (inches) | 2.3 | 2.3 | 2.3 | 2.3 |
| Width (cm) | 5.8 | 5.8 | 5.8 | 5.8 |
| Weight (oz) | 14.0 | 19.0 | 32.0 | 47.0 |
| Weight (Kg) | 0.4 | 0.5 | 0.9 | 1.3 |
| Step Angle (°/step) | 1.8 | 1.8 | 1.8 | 1.8 |
| Number Leads | 4 | 4 | 4 | 4 |
| TP23 Uni-Polar Stack Size | ||||
|---|---|---|---|---|
| Imperial Models | TP23-38 | TP23-57 | TP23-120 | TP23-168 |
| Holding Torque Uni-Polar (oz-in) | 38.5 | 57.5 | 120.0 | 168.0 |
| Holding Torque Uni-Polar (Ncm) | 27 | 41 | 85 | 119 |
| Length (inches) | 1.60 | 2.00 | 3.00 | 4.00 |
| Length (cm) | 4.1 | 5.1 | 7.6 | 10.2 |
| Width (inches) | 2.3 | 2.3 | 2.3 | 2.3 |
| Width (cm) | 5.8 | 5.8 | 5.8 | 5.8 |
| Weight (oz) | 14.0 | 19.0 | 32.0 | 47.0 |
| Weight (Kg) | 0.4 | 0.5 | 0.9 | 1.3 |
| Step Angle (°/step) | 1.8 | 1.8 | 1.8 | 1.8 |
| Number Leads | 6 | 6 | 6 | 6 |
| TP23 Bi-Polar Windings | |||||||||||||||
|---|---|---|---|---|---|---|---|---|---|---|---|---|---|---|---|
| Imperial Models | 48A10 | 48A20 | 48A30 | 48A40 | 72A10 | 72A20 | 72A30 | 72A40 | 150A10 | 150A20 | 150A30 | 150A40 | 210A20 | 210A30 | 210A40 |
| Current (A/Phase) | 1.0 | 2.0 | 3.0 | 4.0 | 1.0 | 2.0 | 3.0 | 4.0 | 1.0 | 2.0 | 3.0 | 4.0 | 2.0 | 3.0 | 4.0 |
| Voltage (V/Phase) | 6.0 | 3.0 | 2.0 | 1.5 | 5.6 | 2.8 | 1.9 | 1.4 | 7.6 | 3.8 | 2.5 | 1.9 | 5.3 | 3.5 | 2.7 |
| Resistance (R/Phase) | 5.9 | 1.5 | 0.7 | 0.4 | 5.6 | 1.4 | 0.6 | 0.4 | 7.6 | 1.9 | 0.8 | 0.5 | 2.7 | 1.2 | 0.7 |
| Inductance (mH) | 16.9 | 4.2 | 1.9 | 1.1 | 25.6 | 6.4 | 2.8 | 1.6 | 35.2 | 8.8 | 3.9 | 2.2 | 13.2 | 5.9 | 3.3 |
| TP23 Uni-Polar Windings | |||||||||||||||
|---|---|---|---|---|---|---|---|---|---|---|---|---|---|---|---|
| Imperial Models | 38V40 | 38V60 | 38V120 | 38V240 | 57V51 | 57V60 | 57V120 | 57V240 | 120V54 | 120V60 | 120V120 | 120V240 | 168V34 | 168V60 | 168V120 |
| Current Uni-Polar (A/Phase) | 1.5 | 1.2 | 0.6 | 0.3 | 1.0 | 1.0 | 0.5 | 0.3 | 1.5 | 1.3 | 0.7 | 0.4 | 2.8 | 1.8 | 0.8 |
| Voltage Uni-Polar (V/Phase) | 4.0 | 6.0 | 12.0 | 24.0 | 5.1 | 6.0 | 12.0 | 24.0 | 5.4 | 6.0 | 12.0 | 24.0 | 3.4 | 6.0 | 12.0 |
| Resistance Uni-Polar (R/Phase) | 2.6 | 5.0 | 20.0 | 80.0 | 5.1 | 6.2 | 25.0 | 96.0 | 3.5 | 4.8 | 18.2 | 66.0 | 1.2 | 3.4 | 16.0 |
| Inductance Uni-Polar (mH) | 3.2 | 5.4 | 21.6 | 81.2 | 9.7 | 10.6 | 41.2 | 131.4 | 7.8 | 11.4 | 41.2 | 143.3 | 2.9 | 8.4 | 39.0 |
| Current Bi-Polar (A/Phase) | 1.1 | 0.9 | 0.4 | 0.2 | 0.7 | 0.7 | 0.3 | 0.2 | 1.1 | 0.9 | 0.5 | 0.3 | 2.0 | 1.3 | 0.5 |
| Voltage Bi-Polar (V/Phase) | 5.7 | 8.5 | 17.0 | 34.0 | 7.2 | 8.5 | 17.0 | 34.0 | 7.6 | 8.5 | 17.0 | 34.0 | 4.8 | 8.5 | 17.0 |
| Resistance Bi-Polar (R/Phase) | 5.2 | 10.0 | 40.0 | 160.0 | 10.2 | 12.4 | 50.0 | 192.0 | 7.0 | 9.6 | 36.4 | 132.0 | 2.4 | 6.8 | 32.0 |
| Inductance Bi-Polar (mH) | 12.7 | 21.6 | 86.4 | 324.6 | 38.9 | 42.4 | 164.8 | 525.6 | 31.2 | 45.6 | 164.6 | 573.6 | 11.4 | 33.4 | 156.0 |
Speed / Torque Curves
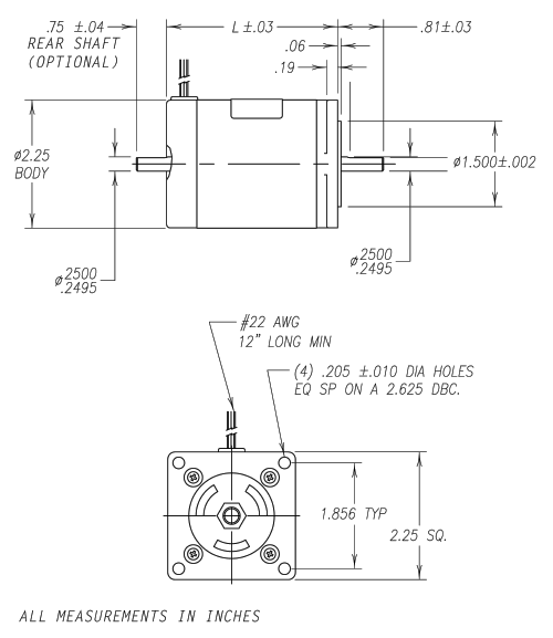
Dimensional Drawing
| MOTOR TYPE | LENGTH (INCHES) |
|
|---|---|---|
| BIPOLAR | UNIPOLAR | |
| TP23-48 | TP23-38 | 1.60 ±.03 |
| TP23-72 | TP23-57 | 2.00 ±.03 |
| TP23-150 | TP23-120 | 3.00 ±.03 |
| TP23-210 | TP23-168 | 4.00 ±.03 |

Drive Compatibility
Please contact ElectroCraft if the drive you are searching for is not included in the charts below.
| Motor P/N | Cont Stall Current (ARMS) |
Peak Current (ARMS) |
Voltage | Drive Model | ||||
|---|---|---|---|---|---|---|---|---|
| Imperial | Metric | PRO (-CAN) | PRO (-CAT) | CPP-Universal | CPP-EZ | |||
| TP23-150A10 | 0 | PRO-A08V48B | PRO-A04V36A | CPP-B06V48A | ||||
| TP23-150A20 | 0 | PRO-A08V48B | PRO-A04V36A | CPP-B06V48A | ||||
| TP23-150A30 | 0 | PRO-A08V48B | PRO-A08V48B | CPP-B06V48A | ||||
| TP23-150A40 | 0 | PRO-A08V48B | PRO-A08V48B | CPP-B06V48A | ||||
| TP23-210A20 | 0 | PRO-A08V48B | PRO-A04V36A | CPP-B06V48A | ||||
| TP23-210A30 | 0 | PRO-A08V48B | PRO-A08V48B | CPP-B06V48A | ||||
| TP23-210A40 | 0 | PRO-A08V48B | PRO-A08V48B | CPP-B06V48A | ||||
| TP23-48A10 | 0 | PRO-A08V48B | PRO-A04V36A | CPP-B06V48A | ||||
| TP23-48A20 | 0 | PRO-A08V48B | PRO-A04V36A | CPP-B06V48A | ||||
| TP23-48A30 | 0 | PRO-A08V48B | PRO-A08V48B | CPP-B06V48A | ||||
| TP23-48A40 | 0 | PRO-A08V48B | PRO-A08V48B | CPP-B06V48A | ||||
| TP23-72A10 | 0 | PRO-A08V48B | PRO-A04V36A | CPP-B06V48A | ||||
| TP23-72A20 | 0 | PRO-A08V48B | PRO-A04V36A | CPP-B06V48A | ||||
| TP23-72A30 | 0 | PRO-A08V48B | PRO-A08V48B | CPP-B06V48A | ||||
| TP23-72A40 | 0 | PRO-A08V48B | PRO-A08V48B | CPP-B06V48A | ||||
Documents & Downloads
| Download | Description |
|---|---|
| TP23 Data Sheet (US) | Download Data Sheet (PDF) |