
MP24 Right-Angle Gearmotor
MobilePower™ Series
Product Details
Overview & Features
ElectroCraft's MP24 integrates a 4-pole Brushless DC motor with a 2-stage right-angle worm gearbox, designed for industrial applications, adding industrial grade cabling plus encoder feedback options to support positioning capability. The MP24 combines optimum performance with increased efficiency, reduced noise and longer-life.
ElectroCraft MobilePower™ gearmotors feature an integrated design that provides increased performance and reliability at an affordable price compared to traditional motor/gearbox combinations. As with all ElectroCraft products, MobilePower™ gearmotors are customizable to meet specific application requirements.
Features
- Smooth, efficient motion
- Durable and highly reliable integrated worm-gear design
- Suitable for uneven terrain and curb-climbing
- High starting torque:
- Peak starting torque up to 98.0 Nm
- 15-minute continuous torque up to 39.4 Nm
- Configurable or completely customizable designs
- Motor, gearbox, brake, encoder, cabling
- Typical applications:
- Industrial traction applications
- Industrial lifts
- Automated Guided Vehicles
- Autonomous Mobile Robots

MP24 Mechanical / Winding Data (24VDC motor windings)
| Gear Ratio | 32.00:1 | 29.25:1 | 26.82:1 | 24.67:1 | 21.33:1 | 19.50:1 | 17.88:1 | 16.44:1 |
|---|---|---|---|---|---|---|---|---|
| Operating Voltage (VDC) | 24 | |||||||
| No Load Speed (RPM) | 126.6 | 138.6 | 151.1 | 164.3 | 190.0 | 207.8 | 226.7 | 246.5 |
| Peak Torque (5 sec) (Nm) | 98.0 | 89.6 | 82.2 | 75.6 | 65.3 | 59.7 | 54.8 | 50.4 |
| Peak Current (5 sec) (Amps) | 58.5 | |||||||
| Peak Power (5 sec) (Watts) | 639 | |||||||
| S2 Torque (15 min) (Nm) | 39.4 | 36.0 | 33.0 | 30.4 | 26.2 | 24.0 | 22.0 | 20.2 |
| S2 Current (15 min) (Amps) | 23.5 | |||||||
| S2 Power (15 min) (Watts) | 416 | |||||||
| S1 Torque (Continuous) (Nm) | 19.2 | 17.6 | 16.1 | 14.8 | 12.8 | 11.7 | 10.7 | 9.9 |
| S1 Current (Continuous) (Amps) | 11.5 | |||||||
| S1 Power (Continuous) (Watts) | 229 | |||||||
| Torque Constant (Nm/A) | 0.0524 | |||||||
| Voltage Constant (V/KRPM) | 5.48 | |||||||
| Motor Inertia (Armature) (kg.mm²) | 274.518 | |||||||
| Motor Winding Resistance (Ohms) | 0.079 | |||||||
| Motor Winding Inductance (μH) | 370 | |||||||
| Motor Max Winding Temp (°C) | 155 | |||||||
| Motor Poles | 4 | |||||||
| Motor Mass (kg) | 7.12 | |||||||
Notes:
Gear Motor specifications (torque, current, power) are reference values based on 25°C operating temperature.Do not apply maximum current for more than 5 seconds or more than twice without 10 minutes between cycles
S1 continuous torque rating is based on gearbox maximum operating temperature of 90°C
MP24 Mechanical / Winding Data (48VDC motor windings)
| Gear Ratio | 32.00:1 | 29.25:1 | 26.82:1 | 24.67:1 | 21.33:1 | 19.50:1 | 17.88:1 | 16.44:1 |
|---|---|---|---|---|---|---|---|---|
| Operating Voltage (VDC) | 48 | |||||||
| No Load Speed (RPM) | 126.6 | 138.6 | 151.1 | 164.3 | 190.0 | 207.8 | 226.7 | 246.5 |
| Peak Torque (5 sec) (Nm) | 98.0 | 89.6 | 82.2 | 75.6 | 65.3 | 59.7 | 54.8 | 50.4 |
| Peak Current (5 sec) (Amps) | 29.3 | |||||||
| Peak Power (5 sec) (Watts) | 639 | |||||||
| S2 Torque (15 min) (Nm) | 39.4 | 36.0 | 33.0 | 30.4 | 26.2 | 24.0 | 22.0 | 20.2 |
| S2 Current (15 min) (Amps) | 11.8 | |||||||
| S2 Power (15 min) (Watts) | 416 | |||||||
| S1 Torque (Continuous) (Nm) | 19.2 | 17.6 | 16.1 | 14.8 | 12.8 | 11.7 | 10.7 | 9.9 |
| S1 Current (Continuous) (Amps) | 5.7 | |||||||
| S1 Power (Continuous) (Watts) | 229 | |||||||
| Torque Constant (Nm/A) | 0.1047 | |||||||
| Voltage Constant (V/KRPM) | 10.96 | |||||||
| Motor Inertia (Armature) (kg.mm²) | 274.518 | |||||||
| Motor Winding Resistance (Ohms) | 0.203 | |||||||
| Motor Winding Inductance (μH) | 1350 | |||||||
| Motor Max Winding Temp (°C) | 155 | |||||||
| Motor Poles | 4 | |||||||
| Motor Mass (kg) | 7.12 | |||||||
Notes:
Gear Motor specifications (torque, current, power) are reference values based on 25°C operating temperature.Do not apply maximum current for more than 5 seconds or more than twice without 10 minutes between cycles
S1 continuous torque rating is based on gearbox maximum operating temperature of 90°C
Speed / Torque Curves
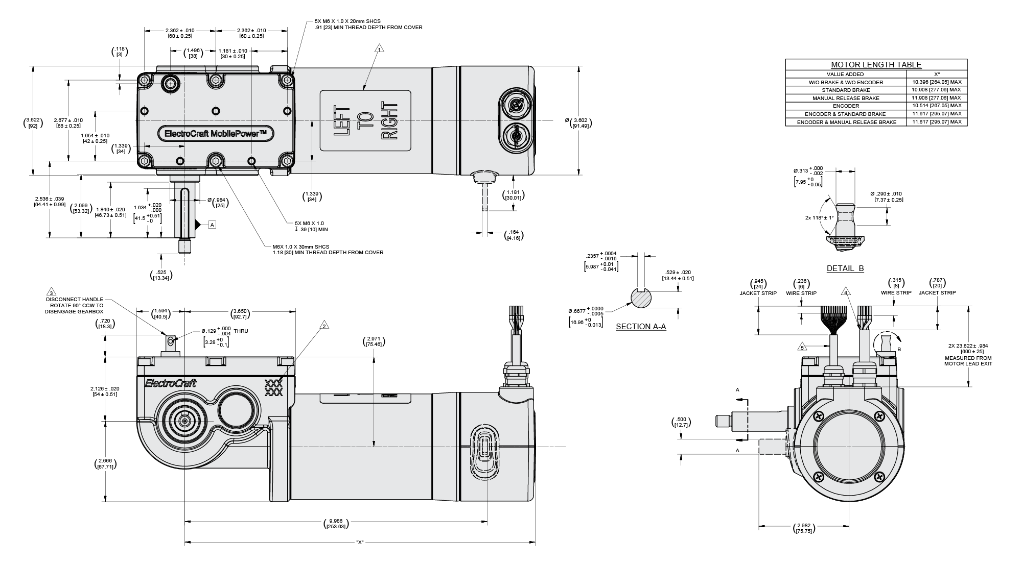
Dimensional Drawing

Drive Compatibility
Please contact ElectroCraft if the drive you are searching for is not included in the charts below.
| Motor P/N | Cont Stall Current (ARMS) |
Peak Current (ARMS) |
Voltage | Drive Model | ||||
|---|---|---|---|---|---|---|---|---|
| Imperial | Metric | PRO (-CAT) | PRO (-CAN) | CPP-Universal | CPP-EZ | |||
| All MP24 (24V windings, all ratios) |
up to 23.5 | 58.5 | 24 | N/A | N/A | CPP-A40V24A | CPP-A24V48A | |
| All MP24 (48V windings, all ratios) |
up to 11.8 | 29.3 | 48 | PRO-A20V80A | PRO-A20V80A | CPP-A24V80A | CPP-A24V48A | |
Connector Pinouts
| MOTOR-BRAKE CABLE | ||
|---|---|---|
| WIRE SIZE | WIRE COLOR | FUNCTION |
| 14 AWG | BLUE | ØA |
| 14 AWG | WHITE | ØB |
| 14 AWG | BROWN | ØC |
| 18 AWG | YELLOW | BRAKE (+/-) |
| 18 AWG | WHITE | BRAKE (+/-) |
| 28 AWG | N/A | DRAIN |
| ENCODER CONNECTION TABLE | |
|---|---|
| WIRE COLOR | FUNCTION |
| BROWN | A |
| WHITE | A- |
| BLUE | B |
| GREEN | B- |
| ORANGE | Z |
| YELLOW | Z- |
| VIOLET | U |
| GRAY | U- |
| WHITE / BROWN | V |
| WHITE / RED | V- |
| WHITE / ORANGE | W |
| WHITE / YELLOW | W- |
| RED | VCC |
| BLACK | GND |
| SENSOR OUTPUT | ||
|---|---|---|
| S1 | S2 | S3 |
| 0 | 0 | 1 |
| 0 | 1 | 1 |
| 0 | 1 | 0 |
| 1 | 1 | 0 |
| 1 | 0 | 0 |
| 1 | 0 | 1 |
| DRIVER OUTPUT | ||
|---|---|---|
| ØA | ØB | ØC |
| X | HI | LOW |
| HI | X | LOW |
| HI | LOW | X |
| X | LOW | HI |
| LOW | X | HI |
| LOW | HI | X |
| HALL BOARD CABLE | ||
|---|---|---|
| WIRE SIZE | WIRE COLOR | FUNCTION |
| 24 AWG | RED | HALL +5V |
| 24 AWG | BLACK | HALL GND |
| 24 AWG | YELLOW | S1 |
| 24 AWG | WHITE | S2 |
| 24 AWG | ORANGE | S3 |
| 28 AWG | N/A | DRAIN |
Documents & Downloads
| Download | Description |
|---|---|
| MP24 Data Sheet (US) | Download (PDF) |
ElectroCraft Rapid Delivery Program
Some versions of this product are available via ElectroCraft's Rapid Delivery Program. Lead times for these products are given in working days and stated below. Please note, these lead times may be exceeded during holiday periods or due to unforeseen circumstances. Always contact your local ElectroCraft representative for confirmation of availability.
Rapid delivery products are stocked in locations all over the World. If the product you require is not stocked in your region, you may request accelerated delivery from other areas. Please consult your local representative for more information.
Customers are responsible for all freight charges.
Rapid Delivery to:
The Americas - View Cart
| Part Number | Description | Add to Cart |
|---|---|---|
| MP24-WL-018V24-420-D | 93mm BLDC Right-Angle Gear Motor, 24VDC, 18:1 ratio, manual gear release, standard brake, encoder, left-hand output shaft, 77 Nm, 80A (peak), 35 Nm, 25A (15min), 13 Nm, 10A (continuous) at 213RPM | Buy Now |
| MP24-WL-021V24-420-D | 93mm BLDC Right-Angle Gear Motor, 24VDC, 21:1 ratio, manual gear release, standard brake, encoder, left-hand output shaft, 92 Nm, 80A (peak), 41 Nm, 25A (15min), 16 Nm, 10A (continuous) at 179RPM | Buy Now |
| MP24-WL-027V24-420-D | 93mm BLDC Right-Angle Gear Motor, 24VDC, 27:1 ratio, manual gear release, standard brake, encoder, left-hand output shaft, 116 Nm, 80A (peak), 52 Nm, 25A (15min), 20 Nm, 10A (continuous) at 142RPM | Buy Now |
| MP24-WL-032V24-420-D | 93mm BLDC Right-Angle Gear Motor, 24VDC, 32:1 ratio, manual gear release, standard brake, encoder, left-hand output shaft, 138 Nm, 80A (peak), 62 Nm, 25A (15min), 24 Nm, 10A (continuous) at 119RPM | Buy Now |
| MP24-WR-018V24-420-D | 93mm BLDC Right-Angle Gear Motor, 24VDC, 18:1 ratio, manual gear release, standard brake, encoder, right-hand output shaft, 77 Nm, 80A (peak), 35 Nm, 25A (15min), 13 Nm, 10A (continuous) at 213RPM | Buy Now |
| MP24-WR-021V24-420-D | 93mm BLDC Right-Angle Gear Motor, 24VDC, 21:1 ratio, manual gear release, standard brake, encoder, right-hand output shaft, 92 Nm, 80A (peak), 41 Nm, 25A (15min), 16 Nm, 10A (continuous) at 179RPM | Buy Now |
| MP24-WR-027V24-420-D | 93mm BLDC Right-Angle Gear Motor, 24VDC, 27:1 ratio, manual gear release, standard brake, encoder, right-hand output shaft, 116 Nm, 80A (peak), 52 Nm, 25A (15min), 20 Nm, 10A (continuous) at 142RPM | Buy Now |
| MP24-WR-032V24-420-D | 93mm BLDC Right-Angle Gear Motor, 24VDC, 32:1 ratio, manual gear release, standard brake, encoder, right-hand output shaft, 138 Nm, 80A (peak), 62 Nm, 25A (15min), 24 Nm, 10A (continuous) at 119RPM | Buy Now |