
RPX52 52mm Brushless DC Motor
RapidPower™ Xtreme Series
Product Details
Overview & Features
High torque density. Excellent torque per frame size performance.
New from ElectroCraft, the RPX52 is a highly dynamic and controllable very small frame metric motor. With an advanced 14-pole encapsulated core, this compact DC motor offers high torque density at a very affordable price. The RPX52 is available in 12V, 24V and 48V versions and like all ElectroCraft motors is fully customizable. This versatile motor is highly energy efficient and ideal for embedded applications.
All versions of the RPX52 include hall sensor feedback and can be configured with an optional encoder (differential, optical encoder with up to 5000 lines).

| RPX52 | Stack Size and Winding Models | |||||||
|---|---|---|---|---|---|---|---|---|
| Specifications | RPX52-300V12 | RPX52-300V24 | RPX52-300V48 | RPX52-600V12 | RPX52-600V24 | RPX52-600V48 | RPX52-750V24 | RPX52-750V48 |
| Design Voltage (VDC) | 12 | 24 | 48 | 12 | 24 | 48 | 24 | 48 |
| No load speed (RPM) | 5,500 | 3,800 | 3,750 | |||||
| Peak Torque (oz-in) | 99.2 | 233.7 | 446.2 | |||||
| Peak Torque (mNm) | 700.0 | 1,650.0 | 3,150.0 | |||||
| Peak Current (Amps) | 36.8 | 17.4 | 8.6 | 56.3 | 26.5 | 12.9 | 55.8 | 28.6 |
| Continuous Stall Torque* (oz-in) | 42.5 | 85.0 | 106.2 | |||||
| Continuous Stall Torque* (mNm) | 300.0 | 600.0 | 750.0 | |||||
| Continuous Stall Current (Amps) | 20.0 | 10.0 | 5.0 | 24.0 | 12.0 | 6.0 | 14.1 | 7.1 |
| Continuous Rated Torque* (oz-in) | 28.3 | 62.3 | 85.0 | |||||
| Continuous Rated Torque* (mNm) | 200.0 | 440.0 | 600.0 | |||||
| Continuous Rated Current (Amps) | 13.7 | 6.8 | 3.5 | 18.4 | 9.1 | 4.6 | 11.4 | 5.8 |
| Continuous Rated Speed (RPM) | 3,400 | 2,000 | 2,500 | |||||
| Voltage Constant (V / kRPM) | 2.4 | 4.4 | 8.7 | 3.2 | 6.3 | 12.6 | 6.6 | 13.2 |
| Torque Constant (oz-in / Amp) | 2.7 | 5.7 | 11.6 | 4.2 | 8.8 | 18.1 | 8.9 | 17.9 |
| Torque Constant (mNm / Amp) | 19.0 | 40.2 | 81.7 | 29.3 | 62.3 | 127.8 | 62.7 | 126.1 |
| Resistance (Ohms) | 0.15 | 0.46 | 1.74 | 0.14 | 0.34 | 1.26 | 0.26 | 0.95 |
| Inductance (mH) | 0.09 | 0.37 | 1.40 | 0.10 | 0.33 | 1.28 | 0.25 | 0.98 |
| Motor Constant (oz-in / √ Watt) | 6.9 | 8.4 | 8.8 | 11.1 | 15.1 | 16.1 | 17.4 | 18.4 |
| Motor Constant (mNm / √ Watt) | 49.1 | 59.3 | 61.9 | 78.3 | 106.8 | 113.9 | 122.5 | 129.7 |
| Electrical Constant (msec) | 0.60 | 0.80 | 0.80 | 0.71 | 0.97 | 1.02 | 0.95 | 1.04 |
| Mechanical Constant (msec) | 2.41 | 1.91 | 1.79 | 1.61 | 0.93 | 0.84 | 0.93 | 0.84 |
| Thermal Time Constant (sec) | 1,200.0 | 1,240.0 | 620.0 | |||||
| Rotor inertia (oz-in²) | 0.3827 | 0.5631 | 0.7709 | |||||
| Rotor inertia (g-cm²) | 70.0 | 103.0 | 141.0 | |||||
| Thermal Resistance (C / Watt) | 2.79 | 2.32 | 2.30 | |||||
| Axial Load (N) 5mm from face | 35.0 | 35.0 | 35.0 | |||||
| Radial Load (N) 5mm from face | 110.0 | 110.0 | 110.0 | |||||
| Weight (oz) | 12.7 | 18.3 | 23.2 | |||||
| Weight (g) | 360.00 | 520.00 | 657.00 | |||||
| Length (inch) | 1.7 | 2.2 | 2.7 | |||||
| Length (mm) | 44.0 | 56.0 | 68.0 | |||||
| Number of Poles | 14.0 | 14.0 | 14.0 | |||||
| Notes: | *Continuous rating based on a 25°C ambient temperature, winding temperature rise of 125°C. Mounted on a 152.4 X 152.4 X 6.4 mm aluminum heat sink. | |||||||
Performance Curves
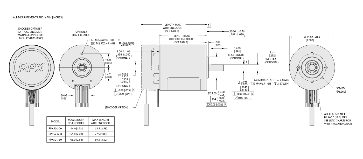
Dimensional Drawing

Drive Compatibility
Please contact ElectroCraft if the drive you are searching for is not included in the charts below.
| Motor P/N | Cont Stall Current (ARMS) |
Peak Current (ARMS) |
Voltage | Drive Model | ||||
|---|---|---|---|---|---|---|---|---|
| Imperial | Metric | PRO (-CAT) | PRO (-CAN) | CPP-Universal | CPP-EZ | |||
| RPX52-300V12 | 20.0 | 36.8 | 12 | PRO-A20V80A | PRO-A20V80A | CPP-A40V24A | CPP-A24V48A | |
| RPX52-300V24 | 10.0 | 17.4 | 24 | PRO-A20V80A | PRO-A20V80A | CPP-A24V80A | CPP-A24V48A | |
| RPX52-300V48 | 5.0 | 8.6 | 48 | PRO-A08V48B | PRO-A08V48B | CPP-A12V80A | CPP-A12V48A | |
| RPX52-600V12 | 24.0 | 56.3 | 12 | PRO-A20V80A | PRO-A20V80A | CPP-A40V24A | CPP-A24V48A | |
| RPX52-600V24 | 12.0 | 26.5 | 24 | PRO-A20V80A | PRO-A20V80A | CPP-A24V80A | CPP-A24V48A | |
| RPX52-600V48 | 6.0 | 12.9 | 48 | PRO-A08V48B | PRO-A08V48B | CPP-A12V80A | CPP-A12V48A | |
| RPX52-750V24 | 14.1 | 55.8 | 24 | PRO-A08V48B | PRO-A08V48B | CPP-A40V24A | CPP-A24V48A | |
| RPX52-750V48 | 7.1 | 28.6 | 48 | PRO-A08V48B | PRO-A08V48B | CPP-A24V80A | CPP-A12V48A | |
Connector Pinouts
Documents & Downloads
| Download | Description |
|---|---|
| RPX52 Data Sheet (US) | Download Data Sheet (PDF) |
ElectroCraft Rapid Delivery Program
Some versions of this product are available via ElectroCraft's Rapid Delivery Program. Lead times for these products are given in working days and stated below. Please note, these lead times may be exceeded during holiday periods or due to unforeseen circumstances. Always contact your local ElectroCraft representative for confirmation of availability.
Rapid delivery products are stocked in locations all over the World. If the product you require is not stocked in your region, you may request accelerated delivery from other areas. Please consult your local representative for more information.
Customers are responsible for all freight charges.
Rapid Delivery to:
The Americas - View Cart
| Part Number | Description | Add to Cart |
|---|---|---|
| RPX52-300V24-100-F | 52mm Brushless DC Motor, 24VDC, 5500RPM no-load speed, 700 mNm peak torque, 195 mNm continuous at 4200RPM, hall sensors + 5000 line differential encoder | Buy Now |
| RPX52-600V24-100-F | 52mm Brushless DC Motor, 24VDC, 3800RPM no-load speed, 1650 mNm peak torque, 435 mNm continuous at 2900RPM, hall sensors + 5000 line differential encoder | Buy Now |
| RPX52-750V24-100-F | 52mm Brushless DC Motor, 24VDC, 3750RPM no-load speed, 3150 mNm peak torque, 600 mNm continuous at 3000RPM, hall sensors + 5000 line differential encoder | Contact Sales |